رفتن به مطلب

طراحي يك مجتمع پتروشيمي


ارسال های توصیه شده

ارسال شده در
محسن عزيز!

آقا يك آنتي اسكالانت ارت ميخوام :ws3:

 

نه محسن من براي بخش رفرمينگ تو قسمت تيوبها و نحوه قرار گيري كوره برات زحمت دارم

 

برامون مشخص و طراحي كن كه اين گاز خوراك رو بايد چطوري و كجا بشكنيم

 

كوره كجا قرار ميگيره

شكل حرارت دادن به متان چطوريه

ميتوني از محمد كمك بگيري :w02:

محمد داشت لوله کشی میکرد گفتم بهتره مزاحمش نشم
:ws3:

موفق باشي عزيز

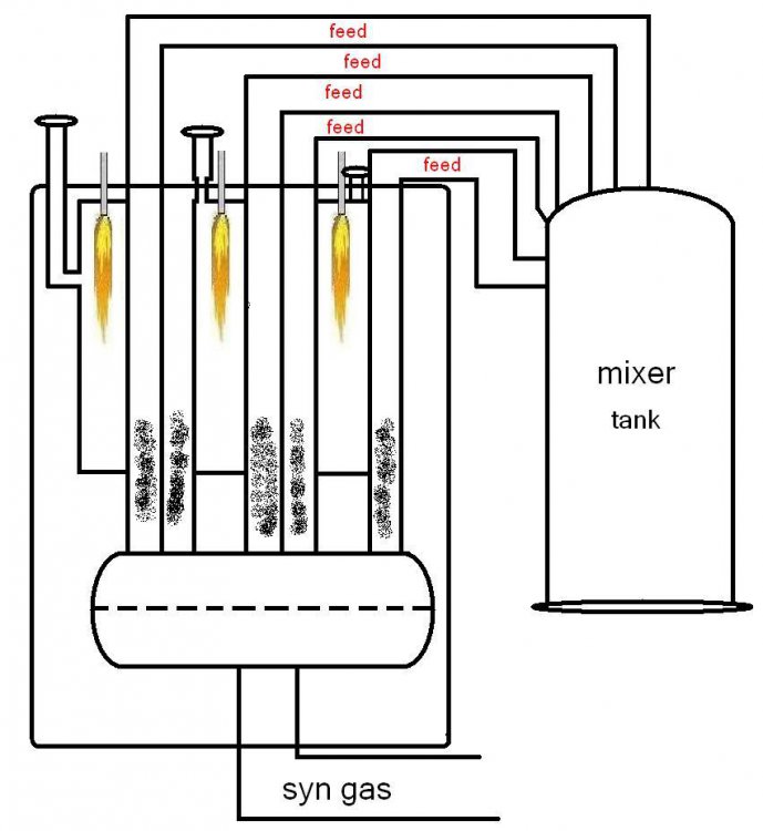
خب من فکر میکنم اینطوری خوب باشه:

تیوب هایی رو با قطر مشخص در نظر بگیریم (قطرشو با توجه به دبی سیستم و سینتیک واکنش که مشخص کننده ی زمان ماند متان و بخار آب رو کاتالیست ه بدست میاریم)

تیوب های متعدد قرار بدیم و کوره رو برای گرم کردن همشون قرار بدین

تیوب ها رو از کاتالیست پر میکنیم و گاز و بخار آب رو همزمان میفرستیم تو تیوب ها

تیوب ها هم چون بصورت استوانه ای هستن خوب گرما رو به داخل که محتوی گاز و بخار آب هست منتقل میکنن و این باعث میشه گرمای پرت شدمون کمتر بشه

حالا تو این مورد که کوره رو کجا قرار بدیم که تیوب ها رو گرم کنه بعدا به توافق میرسیم:a030:

البته با این کوره تشعشعی ها میشه راحت گرمشون کرد

اینم یه نما از سیستم

______________________________________________________________

حمید جان بیا سوتی های منو جمع کن:ws3:

چجوره؟ مشکلاشو بگو رفعش کنیم که یه سری هم به برج تقطیر ها بزنیم:a030:

__________________________________________________________

reform.jpg

  • Like 8
  • پاسخ 145
  • ایجاد شد
  • آخرین پاسخ

بهترین ارسال کنندگان این موضوع

بهترین ارسال کنندگان این موضوع

ارسال شده در

صفحه شماره 11 پست 103 ویرایش شد:w16:

  • Like 8
ارسال شده در
خب خب

اونجوري كه خانم خادمي عزيز به من اعلام كردن از بچه هاي مكانيك فقط خانم زارع هستند در بحث

 

و ظاهرا هم سرشون شلوغه ولي به هر حال اسمشون داخل ليست هست

 

پس خانم زارع عزيز براي شروع من از شما يك مخزن ميخوام

 

كه فشار متوسطي داره و اين فشار كاريشه ! تست نيست .

 

ظرفيت اين مخزن 5000 ليتره و فشار كاري ما بصورت كانتينيوز

 

120 باره كه مياد و ميره . يعني مثل مخزن گاز قرار نيست سيال رو داخلش حبس كنيم

 

سيال ما قراره با دماي 300 درجه بياد و تو اون فشار با يكسري قطعه وارد واكنش بشه و از قسمت بالا يا پايين بره بيرون

 

دبي رو دادم . فشار هم دادم . دما هم دادم .سيال ما خورنده نيست! و اينكه اين مخزن ما نياز به يك سيستمي داره كه بتونه دماي پوسته و سيال رو پايين بياره و به عنوان آخرين ديتا عرض كنم كه سيال ما وقتي وارد واكنش ميشه گرماي شديدي تا مرز 600 درجه ايجاد ميشه كه درواقع واكنش گرمازاست!

پس نياز داريم بوسيله يك چيزي اين دما رو به 270 تا 300 درجه برسونيم

 

مخازن و راكتورهاي رفرمينگ رو خودم طراحي ميكنم كه تنها هستيد سرتون شلوغ نشه . تو بحثهاتون هم باز من درخدمتم و ميتونم با شما هم بر روي بحثهاي مكانيك فعاليت كنم

اگر براتون اين امكان وجود داره اين طرح رو تا سه شنبه به من بديد

 

ممنونم

درود...خوشبختانه سال گذشته یک مخزن ذخیره هیدروژن طراحی کردم و الان باید برگردم و دوباره از نو مطالعه کنم...سوالات ایجاد شده رو همینجا میپرسم...

در مورد صحبت های آقا امیر...بنظرم ایشون دور نما رو در نظر گرفتن و سر پر سودای من رو به عنوان نماینده مکانیک...بنابراین خودم هم تمایل دارم تیم مکانیک قویتر بشه...ولی تمام تلاش خودم رو میکنم.

  • Like 8
ارسال شده در
درود...خوشبختانه سال گذشته یک مخزن ذخیره هیدروژن طراحی کردم و الان باید برگردم و دوباره از نو مطالعه کنم...سوالات ایجاد شده رو همینجا میپرسم...

در مورد صحبت های آقا امیر...بنظرم ایشون دور نما رو در نظر گرفتن و سر پر سودای من رو به عنوان نماینده مکانیک...بنابراین خودم هم تمایل دارم تیم مکانیک قویتر بشه...ولی تمام تلاش خودم رو میکنم.

درود بر شما

شما خودتون متخصصین

اما ما م.شیمی ها هم تا حدودی مکانیک سرمون میشه

اگر کمکی ازمون بر اومد تنهاتون نمیذاریم:a030:

  • Like 9
ارسال شده در
خب من فکر میکنم اینطوری خوب باشه:

تیوب هایی رو با قطر مشخص در نظر بگیریم (قطرشو با توجه به دبی سیستم و سینتیک واکنش که مشخص کننده ی زمان ماند متان و بخار آب رو کاتالیست ه بدست میاریم)

خيلي هم خوب . فقط براي افزايش فشار خوراك به دليل برخورد با دماي بالا هم يك بررسي بكن! يعني نقطه بحراني هم داريم كه تيوبها و هدايت رو شامل ميشه

تیوب های متعدد قرار بدیم و کوره رو برای گرم کردن همشون قرار بدین

اين خوبه ولي اگر بصورت شبكه شبكه باشه ايده آل تره يهني مثل قاب! نصف لوله اين طرف قاب و نصف ديگش اونطرف و بين هر قاب يك مشعل و يك خروجي براي تخليه محصولات احتراق

تیوب ها رو از کاتالیست پر میکنیم و گاز و بخار آب رو همزمان میفرستیم تو تیوب ها

قبلش گاز رو داغ كردي ؟ بهتره كه قبلش دماي گاز رو بزديك 450 درجه برسوني و بعد تو يك ميكسر با بخار سوپر هيتمون مخلوط كني . كاتاليست آخر كاره

تیوب ها هم چون بصورت استوانه ای هستن خوب گرما رو به داخل که محتوی گاز و بخار آب هست منتقل میکنن و این باعث میشه گرمای پرت شدمون کمتر بشه

يعني ميخواي كل لوله ها رو حرارت بدي ؟ بيشتر دقت كن

حالا تو این مورد که کوره رو کجا قرار بدیم که تیوب ها رو گرم کنه بعدا به توافق میرسیم:a030:

البته با این کوره تشعشعی ها میشه راحت گرمشون کرد

اول بگم كل لوله نبايد حرارت ببينه ! يك قسمت لوله دقيقا جلوي دهانه كوره و نزديك به مشعله و

اينجا گازو به دماي نزديك به 1050 ميرسوني و با اون دما ميفرستي بره جلو جايي كه ديگه كوره رو رد كرده از روي كاتاليست عبور ميكنه يعني بخش كاتاليست بر خلاف تفكر حرارت نميبينه و گاز داغ شده هستش كه از روي كاتاليست عبود ميكنه پس كوره عقب تره

اینم یه نما از سیستم

______________________________________________________________

حمید جان بیا سوتی های منو جمع کن:ws3:

سوتي كدومه عزيز خيلي هم خوبه

چجوره؟ مشکلاشو بگو رفعش کنیم که یه سری هم به برج تقطیر ها بزنیم:a030:

 

__________________________________________________________

 

زيرشون نوشتم يكم بيشتر دقت كن . كارت حرف نداره:w16:

  • Like 7
ارسال شده در

نوشته اصلی توسط

مهندس مملکتviewpost-left.png

خب من فکر میکنم اینطوری خوب باشه:

تیوب هایی رو با قطر مشخص در نظر بگیریم (قطرشو با توجه به دبی سیستم و سینتیک واکنش که مشخص کننده ی زمان ماند متان و بخار آب رو کاتالیست ه بدست میاریم)

خيلي هم خوب . فقط براي افزايش فشار خوراك به دليل برخورد با دماي بالا هم يك بررسي بكن! يعني نقطه بحراني هم داريم كه تيوبها و هدايت رو شامل ميشه

برای این حالت فکر کنم با تعبیه ی جداره ی دوم برای تیوب ها و پر کردن فاصله ی بین 2 جداره با هوا تا حدودی سیستم شبه آدیاباتیک بشه:a030: (خوبه؟ جواب میده؟)

تیوب های متعدد قرار بدیم و کوره رو برای گرم کردن همشون قرار بدین

اين خوبه ولي اگر بصورت شبكه شبكه باشه ايده آل تره يهني مثل قاب! نصف لوله اين طرف قاب و نصف ديگش اونطرف و بين هر قاب يك مشعل و يك خروجي براي تخليه محصولات احتراق

اینو یکم روش کج فهمی دارم یعنی متوجه شکل قرار گیری مشعل ها نشدم (منظورت اینه که فاصله ی بین تیوب ها رو مشعل میذاریم؟)

تیوب ها رو از کاتالیست پر میکنیم و گاز و بخار آب رو همزمان میفرستیم تو تیوب ها

قبلش گاز رو داغ كردي ؟ بهتره كه قبلش دماي گاز رو بزديك 450 درجه برسوني و بعد تو يك ميكسر با بخار سوپر هيتمون مخلوط كني . كاتاليست آخر كاره

(پس قبل از ورود گاز به تیوب و یا بهتر بگم بستر کاتالیست یه پیش گرمکن نیاز داریم:w16:)اینارو بذار به پای کم تجربه بودن:ws3:

تیوب ها هم چون بصورت استوانه ای هستن خوب گرما رو به داخل که محتوی گاز و بخار آب هست منتقل میکنن و این باعث میشه گرمای پرت شدمون کمتر بشه

يعني ميخواي كل لوله ها رو حرارت بدي ؟ بيشتر دقت كن

این قضیه هم به کل منتفیه:whistle:

حالا تو این مورد که کوره رو کجا قرار بدیم که تیوب ها رو گرم کنه بعدا به توافق میرسیم:a030:

البته با این کوره تشعشعی ها میشه راحت گرمشون کرد

اول بگم كل لوله نبايد حرارت ببينه ! يك قسمت لوله دقيقا جلوي دهانه كوره و نزديك به مشعله و

اينجا گازو به دماي نزديك به 1050 ميرسوني و با اون دما ميفرستي بره جلو جايي كه ديگه كوره رو رد كرده از روي كاتاليست عبور ميكنه يعني بخش كاتاليست بر خلاف تفكر حرارت نميبينه و گاز داغ شده هستش كه از روي كاتاليست عبود ميكنه پس كوره عقب تره

این قسمتو هم برداشتم باهم بریم 2!:ws28:

اینم یه نما از سیستم

__________________________________________________ ____________

حمید جان بیا سوتی های منو جمع کن:ws3:

سوتي كدومه عزيز خيلي هم خوبه

چجوره؟ مشکلاشو بگو رفعش کنیم که یه سری هم به برج تقطیر ها بزنیم:a030:

 

__________________________________________________ ________

 

زيرشون نوشتم يكم بيشتر دقت كن . كارت حرف نداره:w16:

یه ریویو بزن ببین کم و کسری چی داره:w02:

  • Like 8
ارسال شده در

خب بریم سراغ مخزن:gnugghender:

جرم ، حجم و ضخامت مخزن حتما براتون مهم هست دیگه؟ پس نیاز به تنش تسلیم و ضریب اطمینان وجود داره...اصلا مخزن چه نوعی باشه؟استوانه با انتهای نیم کره ای؟تک دیواره؟چگالی و طول عمر و خستگی هم در اینجا مهم میشه:w16:چگالی حجمی و وزنی ماده ای که وارد مخزن میشه چقدره؟

  • Like 8
ارسال شده در
اما ديتا ها

واحد شيرين سازي ما فشار پايينه و فشار عملياتيش 15 باره

دبي رو الان نميشه گفت چون ظرفيت مشخص نشده و مديرا بايد ظرفيت توليدو بگن

 

واحد ذخيره سازي شامل تعدادي(بر اساس ظرفيت توليد) مخازنه كه گاز شيرين رو براي مدتهاي كم كه هي مدام پر و خالي بشه ذخيره ميكنه كه تو دماي محيط و فشار عملياتي 20 بار نصب ميشه

واحد رفرمينگ كه هيچي خودمون دست گرفتيم

واحد احيا و تعيين درصد گاز سنتز ما داخل لوله هايي انجام ميشه بعد از ***** هاي جذب دوده قرار دارن . فشار عملياتي اين بخش هم 28 باره

واحد سرد شدن سادس تعدادي مبدل داريك كه دماي گاز ما رو از 1050 درجه طي چند مرحله به 30 درجه ميرسونه

 

فشار 25 بار

 

بخش فشرده شدن گاز كه گاز سرد شده به سانتريفيوژها هدايت ميشه و با فشار پايين 40 بار داخل تعدادي مخازن ايستاده ذخيره ميشه كه ذخيره دومه

 

بخش ذخيره دوم زمانيه كه گاز ما بعد از عبور از مخازن و ***** ها به فشار 6 بار افت پيدا ميكنه و كمپرسور بخش سنتز اين گاز رو به فشار عملياتي 97 بار ميرسونه و به راكتورهاي حالا يا آدياباتيك يا هرچي كه بعدا مشخص ميشه نوع راكتور چيه تزريق ميكنه ولي قبلش نياز به دو تا مبدل داريم تا دماي گاز بره بالا

بخش سنتز ما دماي 280 درجه داره و فشار 97 بار كه بعد از به تعادل رسيدن واكنش دما به شكل وحشتناكي به مرز 600 درجه ميرسه كه بايد هم دماي راكتور و هم دماي محصول رو به 280 درجه برگردونيم

محصول به شكل بخار ايجاد ميشه و فشار از 97 بار به 125 بار ميرسه

واحد كندانس و سيركولاتور ما دقيقا بعد از يك واحد افت فشار بعد از راكتور سنتز قرار ميگيره كه فشارش 40 باره

محصول ناخالص كندانس ميشه و گاز سنتز واكنش نكرده سيركوله ميشه به بعد از رفرمينگ

واحد تبادل گرمايي دو گاز دقيقا جايي هستش كه از گاز سرد به عنوان يك فاكتور براي افت دماي خروجي مازاد بخش رفرمينگ استفاده ميشه

واحد مخلوط هم به اين شكله كه دو گازي كه دماي متعادل تري پيدا كردن رو بوسيله مقداري انيدريد كربنيك به درصد معين ميرسونيم چون بيشتر محصول سيركوله شده ما هيدروژنه

واحد تامين بخار داريم كه براي دفعه اول بخار رفرمينگ رو كامل تامين ميكنه ولي بعد از شروع شدن كار به 20 درصد كاهش پيدا ميكنه و 80 درصد رو از بخاري كه از سرد شدن راكتور سنتز بدست آمده استفاده ميكنيم

و مازادشو براي صادر يا توليد برق استفاده ميكنيم فشار بخار ما 30 باره

واحد سيركولاتور سوپر هيت هم كهالان گفتم 80 درصد بخار رفرمينگو تامين ميكنه و فشارش 30 باره

واحدهاي تقطير كه شامل سه برجه كه شما نوع برج و ساير ديتا ها رو مشخص كنيد

فلر هم سادس

تانكرهاي دپو هم بر اساس ظرفيت توليد مشخص ميشن

 

من طرح پلت فرم ها رو هم آماده ميكنم ميدم دوستان براي بررسي هاي فني و

 

طراحي نهايي

 

پايپينگو اين داستانا از قبيل شيرها و.... توي طرح خودتون تكه تكش كنيد روش كار كنيد

 

بابا يكي ظرفيت رو مشخص كنه بتونيم دبي ها رو در بياريم

خودم ميگم ظرفيت واحد 500 تن در روزه كه براي شروع واحد كوچيكيه

نزديك به 23 ماشين در روز .

ديتاهاي ورودي خوراك ما 640 متر مكعب گاز طبيعيه

1280 متر هم آب نياز داريم

فشار خوراك ورودي ما 20 باره

يك ليست از بچه ها به من بديد تا با امير بتونيم تقسيم وظايف كنيم

 

خب خب

اونجوري كه خانم خادمي عزيز به من اعلام كردن از بچه هاي مكانيك فقط خانم زارع هستند در بحث

 

و ظاهرا هم سرشون شلوغه ولي به هر حال اسمشون داخل ليست هست

 

پس خانم زارع عزيز براي شروع من از شما يك مخزن ميخوام

 

كه فشار متوسطي داره و اين فشار كاريشه ! تست نيست .

 

ظرفيت اين مخزن 5000 ليتره و فشار كاري ما بصورت كانتينيوز

 

120 باره كه مياد و ميره . يعني مثل مخزن گاز قرار نيست سيال رو داخلش حبس كنيم

 

سيال ما قراره با دماي 300 درجه بياد و تو اون فشار با يكسري قطعه وارد واكنش بشه و از قسمت بالا يا پايين بره بيرون

 

دبي رو دادم . فشار هم دادم . دما هم دادم .سيال ما خورنده نيست! و اينكه اين مخزن ما نياز به يك سيستمي داره كه بتونه دماي پوسته و سيال رو پايين بياره و به عنوان آخرين ديتا عرض كنم كه سيال ما وقتي وارد واكنش ميشه گرماي شديدي تا مرز 600 درجه ايجاد ميشه كه درواقع واكنش گرمازاست!

پس نياز داريم بوسيله يك چيزي اين دما رو به 270 تا 300 درجه برسونيم

 

مخازن و راكتورهاي رفرمينگ رو خودم طراحي ميكنم كه تنها هستيد سرتون شلوغ نشه . تو بحثهاتون هم باز من درخدمتم و ميتونم با شما هم بر روي بحثهاي مكانيك فعاليت كنم

اگر براتون اين امكان وجود داره اين طرح رو تا سه شنبه به من بديد

 

ممنونم

درود بر شما

خانوم زارع کل دیتاهایی که داریم این بالایی هاست

بسم الله:a030:

خب بریم سراغ مخزن:gnugghender:

جرم ، حجم و ضخامت مخزن حتما براتون مهم هست دیگه؟ پس نیاز به تنش تسلیم و ضریب اطمینان وجود داره...اصلا مخزن چه نوعی باشه؟استوانه با انتهای نیم کره ای؟تک دیواره؟چگالی و طول عمر و خستگی هم در اینجا مهم میشه:w16:چگالی حجمی و وزنی ماده ای که وارد مخزن میشه چقدره؟

حساب و کتاب باقیش میمونه با خودتون:a030:

  • Like 8
ارسال شده در
یه ریویو بزن ببین کم و کسری چی داره:w02:

دمت گرم محسن

الان يك چيزي از اون قاب يا شبكه رو برات با پينت ميكشم

  • Like 7
ارسال شده در
درود بر شما

خانوم زارع کل دیتاهایی که داریم این بالایی هاست

بسم الله:a030:

 

حساب و کتاب باقیش میمونه با خودتون:a030:

 

ممنون...خیلی دوست داشتم اگر یک سری اطلاعات مربوط به مخازن مورد استفاده در صنعت هم در اختیارم قرار بدید تا دیدم بازتر بشه...چون بنظرم تئوری با واقعیت متفاوت هست...شاید اگر من ضریب اطمینان رو 4 بگیرم از لحاظ مهندسی خوب باشه ولی خب هزینه رو افزایش بده...راستی جنس مخازن مورد استفاده با توجه به نوع ماده و واکنش هاش چی باشه؟کربن استیل خوبه یا از یک ماده ارزون تر استفاده میشه؟

  • Like 5
ارسال شده در
ممنون...خیلی دوست داشتم اگر یک سری اطلاعات مربوط به مخازن مورد استفاده در صنعت هم در اختیارم قرار بدید تا دیدم بازتر بشه...چون بنظرم تئوری با واقعیت متفاوت هست...شاید اگر من ضریب اطمینان رو 4 بگیرم از لحاظ مهندسی خوب باشه ولی خب هزینه رو افزایش بده...راستی جنس مخازن مورد استفاده با توجه به نوع ماده و واکنش هاش چی باشه؟کربن استیل خوبه یا از یک ماده ارزون تر استفاده میشه؟

اگه دقت کرده باشید ماده ی مورد نظر خورنده نیست و این باعث میشه دستتون تو انتخاب جنس مخزن باز تر باشه

همونطور که حمید جان گفت مخزنتون جنسش هر چی که هست باید بتونه 120 بار فشار رو تحت دمای 300-600 درجه ی سانتیگراد تحمل کنه و عمری کار کنه

با این دیتا ها و تجربه ی شما تو طراحی مخزن تصمیم با خودتون هست.

حالا شما یه طرحی بریزید مثل همون که من ارائه دادم تا با کمک دوستان نقاط قوت و ضعفشو مشخص کنیم و سپس رفعش کنیم

انتظار نمیره که هر کدوم از دوستانی که تو طرح شرکت دارند همون دفعه ی اول بهینه ترین طرح ممکن رو ارائه بدن:w16:

منتظر طرح اولیتون هستیم:a030:

پیروز باشید:icon_gol:

  • Like 8
ارسال شده در

همکارای گرامی یه درخواست دارم ازتون

لطفا دیتاهایی که تا الان بدست آوردین رو جمع و جور کنین و قرار بدین تا ببینیم تا کجا پیش رفتین و بفهمیم مشکل کار کجاست و با هم دیگه گره کورشو باز کنیم:a030:

  • Like 6
ارسال شده در

دمت گرم محسن

الان يك چيزي از اون قاب يا شبكه رو برات با پينت ميكشم

بيا محسن جان

سر درد داشتم بي دقت كشيدم كه فقط متوجه بشي خوشكلشو بعدا واست ميذارم

اون فرفري ها رو كاتاليست فرض كن

reforming.JPG

  • Like 9
ارسال شده در

بيا محسن جان

سر درد داشتم بي دقت كشيدم كه فقط متوجه بشي خوشكلشو بعدا واست ميذارم

اون فرفري ها رو كاتاليست فرض كن

یه چیزایی متوجه شدم (اما اون فرضی که امروز ازش داشتم کلا قاطی پاتی شد)

وقتی حال و حوصله داشتی و سر دردت بهتر شد برای پاره ای از توضیحات بهم یه زنگی بزن:ws3:

  • Like 6
ارسال شده در
ممنون...خیلی دوست داشتم اگر یک سری اطلاعات مربوط به مخازن مورد استفاده در صنعت هم در اختیارم قرار بدید تا دیدم بازتر بشه...چون بنظرم تئوری با واقعیت متفاوت هست...شاید اگر من ضریب اطمینان رو 4 بگیرم از لحاظ مهندسی خوب باشه ولی خب هزینه رو افزایش بده...راستی جنس مخازن مورد استفاده با توجه به نوع ماده و واکنش هاش چی باشه؟کربن استیل خوبه یا از یک ماده ارزون تر استفاده میشه؟

سلام از آقاي فاطمي كمك بگيريد و به اتفاق طراحي كنيد

موفق باشيد

یه چیزایی متوجه شدم (اما اون فرضی که امروز ازش داشتم کلا قاطی پاتی شد)

وقتی حال و حوصله داشتی و سر دردت بهتر شد برای پاره ای از توضیحات بهم یه زنگی بزن:ws3:

 

شب بهت زنگ ميزنم

  • Like 8
ارسال شده در

آقا اين اختصاصي شدن اين تاپيك به كجا رسيد؟

الان كه همه اين تاپيك بازه و راحت در دسترس

خيلي وقته اوكي رو داد ادمين پس چي شد؟

  • Like 8
ارسال شده در

در طراحی با توجه به اینکه دما متغیر هست..فشار رو هم باید متغیر بگیرم؟ آیا مخزن تحت فشار میتونه فشارش تغییر کنه؟ یا با دبی باید بازی کرد؟

  • Like 7
ارسال شده در
آقا اين اختصاصي شدن اين تاپيك به كجا رسيد؟

الان كه همه اين تاپيك بازه و راحت در دسترس

خيلي وقته اوكي رو داد ادمين پس چي شد؟

من درخواستشو دادم

پیگیری میکنم

ایشالا امروز درست میشه:a030:

  • Like 7
ارسال شده در
در طراحی با توجه به اینکه دما متغیر هست..فشار رو هم باید متغیر بگیرم؟ آیا مخزن تحت فشار میتونه فشارش تغییر کنه؟ یا با دبی باید بازی کرد؟

سلام . در اصل اين افزايش دما هيچ باري نبايد بر روي مخزن ما ايجاد كنه

يعني اين افزايش لحظه اي بوجود مياد و همون لحظه بايد با يك ماده اي مثل آب خنك بشه

فشار تغيير ميكنه و از نزديك به 97 بار به 120 بار ميرسه و تقريبا بيشتر از 120 بار نميشه

در اصل مخزن ما اينشكليه كه فشار پايداري بر روي پوسته و تنه مخزن نيست!! فشار ما بيشتر در قسمتهاي ورودي و خروجي هستش

فكر ميكنم توضيح اينجوري بي فايده باشه . شما يك نمونه از چيزي كه تا به حال ساختيد رو قرار بديد تا

بر روي اين عكس يا طرح كار كنيم و بتونيم اشكالات رو برطرف كنيم

 

من درخواستشو دادم

پیگیری میکنم

ایشالا امروز درست میشه:a030:

 

ممنونم

و يك سوال ديگه

امروز چند شبنه هستش ؟:whistle:

  • Like 7
ارسال شده در

 

ممنونم

و يك سوال ديگه

امروز چند شبنه هستش ؟:whistle:

 

امروز پنج شنبست؟ :whistle:

  • Like 6
مهمان
این موضوع برای عدم ارسال قفل گردیده است.

×
×
  • اضافه کردن...