Mehdi.Aref 26783 اشتراک گذاری ارسال شده در 9 آذر، ۱۳۹۰ نرم افزار فستو ، ابزاری برای ترسیم سیستم های پنوماتیک و هیدرولیک می باشد.از این نرم افزار می توان برای ترسیم مدارات فرمان کنتاکتوری نیز استفاده کرد. برای مشاهده این محتوا لطفاً ثبت نام کنید یا وارد شوید. ورود یا ثبت نام 2 لینک به دیدگاه
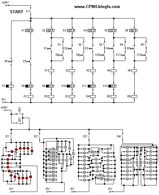
Mehdi.Aref 26783 مالک اشتراک گذاری ارسال شده در 9 آذر، ۱۳۹۰ مثالی از طراحی مدار فرمان با استفاده از این نرم افزار از وبلاگ برای مشاهده این محتوا لطفاً ثبت نام کنید یا وارد شوید. ورود یا ثبت نام براتون میارم. مثالی که در این پست به آن می پردازیم در واقع یک نمونه از کاربردهای عنصر کنتاکتورمیباشد که البته چنین استفاده هایی از این تجهیز امروزه تقریبا منسوخ شده.البتهتقریبا !چون هنوز هم نمونه هایی از این دست در سطح شهر میبینیم که دقیقاساختاری مشابه با مداری که در اینجا قرار میدهیم دارند.مانند رقص نورهایی که بههنگام جشنها در خیابانها مشاهده می کنیم! در واقع مدار زیر یک نویسنده ی الکتریکی می باشد که استفاده ی تبلیغاتی دارد. دراینجا با ترکیب کنتاکتورها و تایمرها به گونه ای خاص ، سعی کرده ام تا نام همینوبلاگ (CPNH) را یک بار نوشته و پاک کنم و این عمل تا قطع کردن کلید اصلی ادامهپیدا می کند .همانطور که همه ی دوستان استحضار دارند، انجام عمل فوق امروزه تنها بااستفاده از یک میکرو کنترلر و چند خط برنامه نویسی امکانپذیر خواهد بود و یا حتی اعمالی مشابه را در کاربردهای صنعتی بوسیله ی برنامه ریزی PLC ها می توان انجامداد. اگر به شکل مدار توجه کنید، حتما متوجه می شوید که در این مدار از تعداد زیادیکنتاکتور استفاده شده که با وجود تجهیزات جدیدتر و کارآمدتر، این امر مقرون بهصرفه نیست. پس باز هم اهمیت استفاده از کنترلر های قابل برنامه ریزی مثل میکروکنترلرهای AVR ،PIC ،8051 و همچنین PLC ها مشخص می شود و بهتر است در طراحی هایجدید از چنین تجهیزاتی استفاده شود. البته برای انجام یک طراحی قدرتمند و بی نقص، لازم است که طراح به تمامی اصول طراحی با ابزارهای پایه مثل کنتاکتورها و شیرها یاحتی مدارهای منطقی اشراف داشته باشد .هدف از قرار دادن این مثال هم آشنایی بیشتر باتوانایی های کنتاکتور و ذکر یک مثال عملی از استفاده های آن می باشد. شاید شماتیک در نگاه اول کمی شلوغ به نظر برسد،اما اگر به بخش پایینی ،یعنی لامپهانگاه کنید میبینید که تنها چند لامپ هستند که پایه های مثبت و منفی آنها به هم وصلشده و هر حرف لاتین ساخته شده ار آنها یک خروجی برای مدار فرمان می باشد.مدار فرمان6 خروجی دارد که با نامهای O1 تا O6 مشخص شده اند.نحوه کار هم به این شکل است که بافشار دادن کلید استارت ،با تاخیرهای زمانی ایجاد شده ،مدار فرمان به ترتیب به بوبینهای مربوط به کنتاکتهای O1 تا O6 سیگنال فرستاده و لامپها روشن می شوند.البتههم از تایمرهای switch-on delay و هم از switch-off delay استفاده شده است. لینک فایل قابل اجرا در محیط FluidSim مربوط به مدار فوق : برای مشاهده این محتوا لطفاً ثبت نام کنید یا وارد شوید. ورود یا ثبت نام 2 لینک به دیدگاه
ارسال های توصیه شده